Die ursprüngliche Idee für dieses Projekt stammt wie schon erwähnt von Rasputin. Das hier vorgestelte Boarddesign wurde von Carlo im VDR-Portal veröffentlicht. Netterweise hat er mir ein Platine mitgeätzt.
|
|
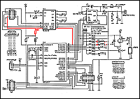
Layout im Eagle-Format: wakeup-0_31.brd
Bauteileliste für Reichelt.
Datenblätter der verwendeten ICs sind hier verfügbar:
ATMEGA8 Datenblatt
PCF8583P Datenblatt
MAX232CPE Datenblatt

(C) Frank Jepsen
Stand: 07.11.2006